
销售:17346546283
销售:010-68465926
技术:18611287598
传真:010-68465926
Q Q:3226344213
邮箱:info@bjhaman.com
地址:北京市海淀区大慧寺8号北区20号楼一层105室

HMLDM-HY100-PN型工业激光测距仪
时间:2025-11-22 06:30

一、概述:
HMLDM-HY100-PN型工业激光测距仪专门用于高温环境下对固定或移动物体进行距离、位置、尺寸、高度进行测量,通过profinet通讯方式将数据传输至上位机系统。
● 工业生产环境下,能保持很高的测量精度和可靠性
● 测量精度<±1~2mm,分辨率0.1mm,重复性±0.5mm
● 使用红色可见激光束,测量范围可达100米
● 标准的profinet接口,灵活可靠
● 双层不锈钢外壳,可通水或压缩空气冷却
二、技术数据:
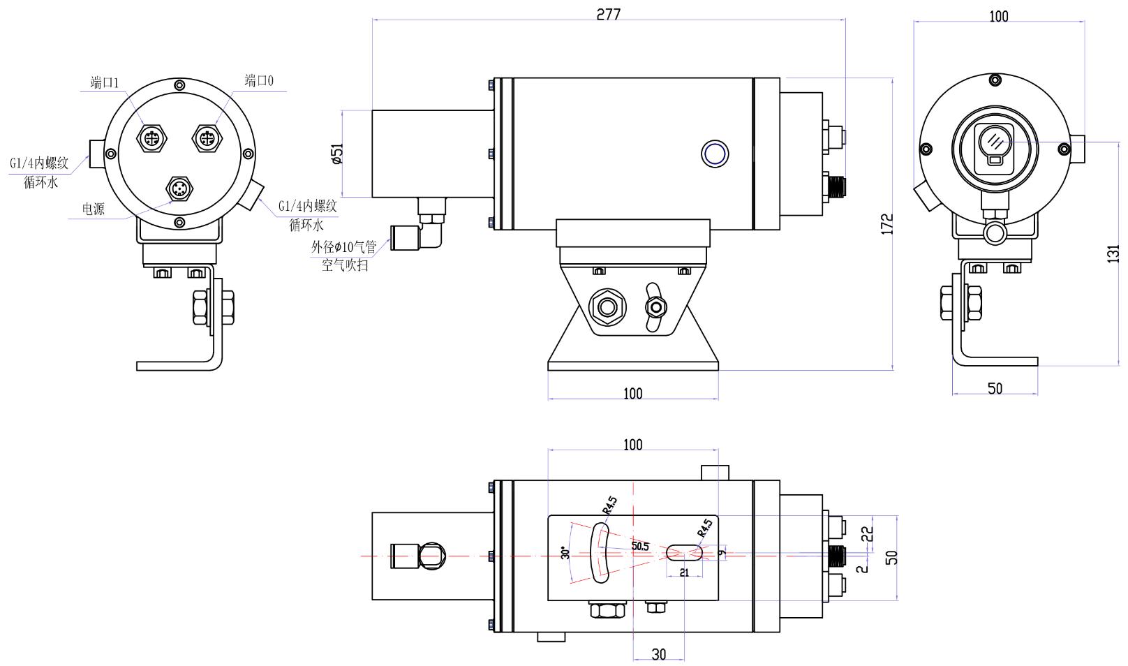
三、外形尺寸:
四、可选附件:



