
 
       
        销售:17346546283
销售:010-68465926
技术:18611287598
传真:010-68465926
Q Q:3226344213
邮箱:info@bjhaman.com
地址:北京市海淀区大慧寺8号北区20号楼一层105室

HMLDM-SJ20HT型高温激光测距仪
        
       
        时间:2025-10-31 19:16
        
一、概述:
HMLDM-SJ20HT型高温激光测距仪专门用于高温固体、液体的位置、尺寸、高度的测量。通过模拟量和RS485通讯将测量数据传输至上位机系统。
● 相位差测量原理,测量精度±1mm,重复精度±0.5mm,分辨率0.1mm
● 使用红色可见激光束,测量范围可达20米
● 串口输出RS485 Modbus RTU协议,总线最多可连接247台测距仪
● 模拟量输出0~5V,0~10V,0~20mA,0~24mA,4~20mA可设置
● 不锈钢外壳,可通水、气进行冷却
二、技术数据:
 
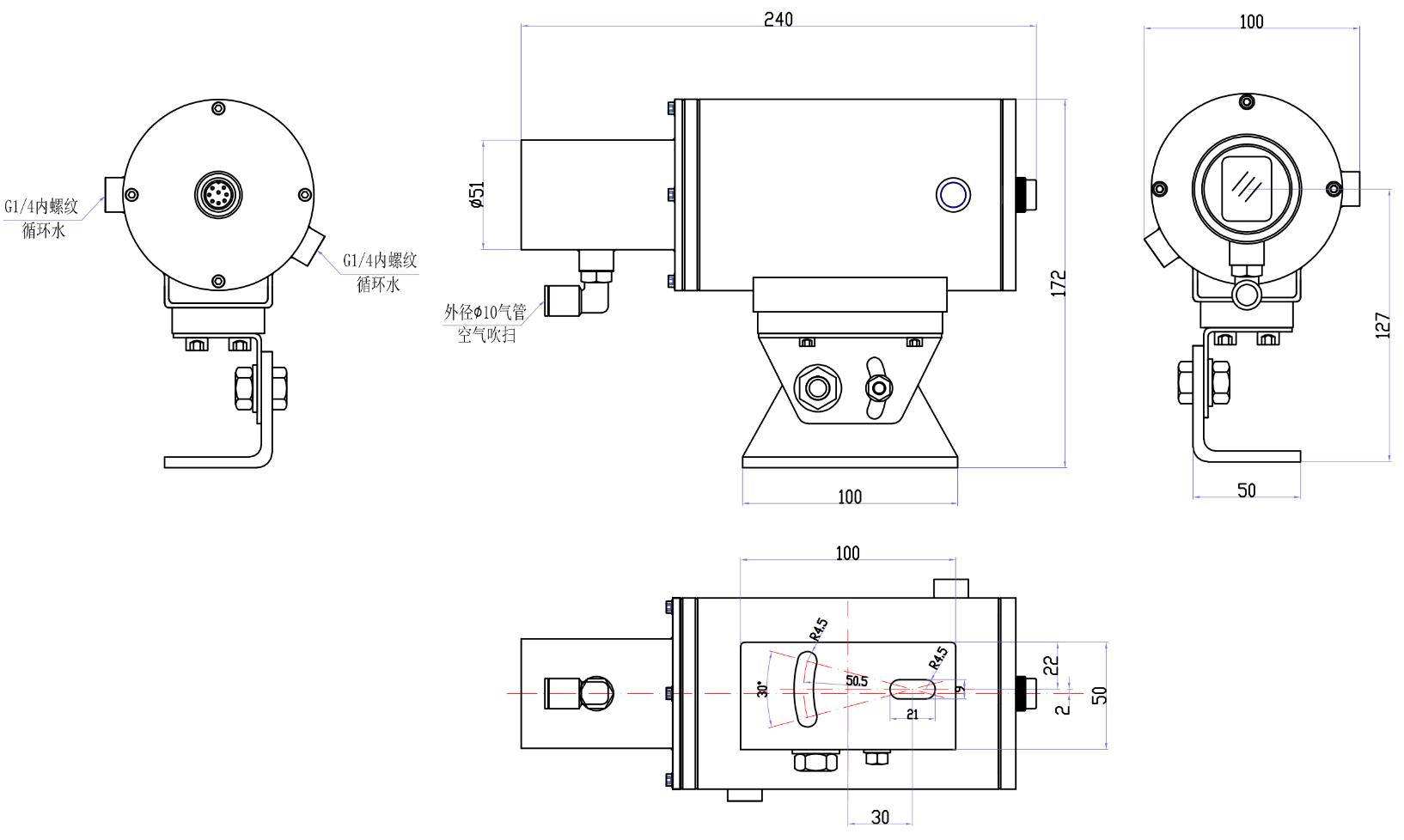
三、外形尺寸:
 
四、可选附件:
 
 
        下一篇:没有了  上一篇:高温激光测距仪 
        
      



 京公网安备 11010802040730号
 京公网安备 11010802040730号